مجموعة أبحاث وتطوير تطبیقات الانظمة الرقمیة المدمجة FPGA
الخريجون
الطلبة
الموظفين
البريد الالكتروني
English
جامعتي
English
جامعتي
المشاريع
Five Stages Pipelined RISC
Traffic Light with Libyan License Plate
Microprocessor Bus Structure
ROTARY CAR PARKING SYSTEM
Single Precision Floating-point
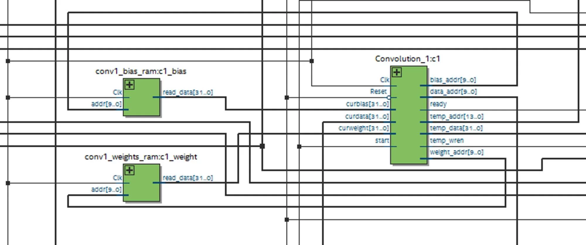
CNN for Character Recognition
High-Speed Custom Instruction
Smart Parking System Based on Machine Learning
المنشورات العلمية
Voice Activity Detector of Wake-Up-Word
Front-end of Wake-Up-Word
Wake-Up-Word Feature Extraction
Reduced Instruction Set Computer
Real Time Density- Based Traffic
An Alternative Microprocessor Bus
Design and Comparative Analysis
Single Precision Floating Point
Five Stages Piplined RISC Processor
Smart Traffic Light System
TRAFFIC SYSTEM WITH LIBYAN VEHICLES
INNOVATIVE BUS-INTERCONNECT
Automated Rotary Parking System
ورش العمل
تواصل معنا
المجموعة البحتية
مركز البحوث والاستشارات والتدريب
مجموعة أبحاث وتطوير تطبیقات الانظمة الرقمیة المدمجة FPGA
صور الالبوم الخاص بـ
Design and Implementation of Five Stages Piplined RISC Processor on FPGA
معرض الالبومات
معرض الالبومات